DYA5-XX-10.0-09

技術參數 (TECHNICAL DATA)

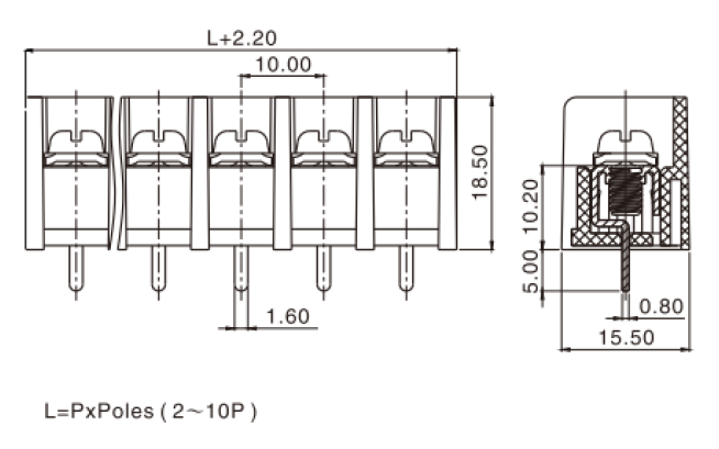
端子間距(Center Spase) 10.0mm
壓線範圍(Wire Range) 18-10 AWG
螺釘扭矩(Screw Torque) 13 LB-IN
額定電流(Rated Current) 600V 30A
耐電壓值(Withstanding VoItage) AC 3000V
絕緣材料 (Insulation Body) PA66 UL94 V-0
螺釘規格 (Screw MateriaI) M4 Steel
端子材質 (Terminal Body) Brass
操作溫度 (Temperature) -40°C~105°C

 

產品介紹|栅栏式端子台(Barrier Terminal Block

DOYO 栅栏式端子台(Barrier Terminal Block)系列專為 高安全性、多迴路、高電流的工業配線場景而設計。其獨立阻隔結構(Barrier Design)能有效降低短路風險,並提升耐電壓能力,是各類電力設備、控制模組與配電系統中最常使用的端子類型之一。

本系列採用高導電金屬導體、耐熱阻燃外殼(UL94V-0),並搭配螺絲壓接方式,提供穩固、長期可靠的電氣連接,即使在高振動、高溫、重載環境下仍能保持穩定性能。


🌟 產品特色(Features)
  • 栅栏式隔離設計
    每極皆具獨立隔板,可有效降低導線接觸風險,提升電氣安全性。

  • 高牢固螺絲壓接結構
    適用於需要緊固配線的情況,提供優異的抗振性與導線持久穩定性。

  • 支援中高電流需求
    各系列具備不同電流等級,適合電源輸入端子與高負載使用環境。

  • 高耐溫、阻燃外殼
    外殼採用工程塑料(UL94V-0),具高絕緣性、耐熱性與強度。

  • 多種腳距、多極數可選
    可依 PCB 設計或面板需求提供 2P~24P 以上組合,支持客製化。

  • 適用 PCB 或機箱面板安裝
    提供立式、臥式、插針式多種結構,可靈活整合各類設備。

  • 符合國際品質與環保要求
    通過 ISO9001、RoHS 等國際規範。


🔧 適用場景(Applications)

栅栏式端子台適用在需要 高電流承載安全隔離穩固接線的場合:

  • 工業自動化控制器

  • 電源供應器 / UPS / 變壓器

  • 機械設備配電盤

  • 配電箱、電力模組

  • HVAC 控制系統

  • 儀器儀表

  • 安防設備(CCTV、門禁系統)

  • 家電控制板、高功率電器

無論用於高電流輸入端、電源出線端或多路信號分配,皆可提供穩定可靠的端子連接。


**⚙ 一般規格(General Specifications)

※ 以下為通用規格,實際依型號為準**

  • 額定電壓: 250V ~ 600V

  • 額定電流: 10A ~ 30A(依結構與金屬件)

  • 腳距(Pitch): 6.35mm、7.62mm、8.25mm、9.5mm…

  • 外殼材質: PA66/PBT(UL94V-0)

  • 導體材質: 鍍錫銅 / 銅合金

  • 安裝方式: PCB 針腳焊接 / 面板螺絲固定

  • 極數: 2P ~ 24P 可選

  • 操作溫度: -40°C ~ +125°C


為什麼選擇 DOYO?
  • 全系列完整規格可選

  • 支援 OEM / ODM 開發與客製

  • 工業級品質穩定,適合大量採購

  • 適用多種應用領域,彈性高

  • 價格具競爭力,品質比肩國際品牌

耐電壓

額定電流

適用線徑

, , , , ,

间距 Spase

商品評價

目前沒有評價。

搶先評價 “DYA5-XX-10.0-09”

發佈留言必須填寫的電子郵件地址不會公開。 必填欄位標示為 *

返回頂端