🔧 基板端子(PCB Terminal)產品介紹
(適用於多款型號,涵蓋不同尺寸、電流範圍)
DOYO 基板端子系列(PCB Terminal)專為各類 電氣連接而設計,提供 穩定可靠的接線解決方案,適用於各種 工業控制、電力配電、電池模組 和 電子設備。
本系列端子支持多種 接線範圍、安裝方式 和 電流等級,滿足各種不同的應用需求。使用高導電金屬材料,配合精密螺絲固定設計,確保在高負載及高頻使用條件下仍能保持穩定的連接性能。
🌟 產品特色(Key Features)
-
多種規格可選
提供多種針腳選擇,適用於各種標準PCB板。
鎖線孔多種類型,滿足不同設備接線需求。 -
高電流承載能力
額定電流範圍 5A ~ 200A,適用於從低功率到高功率的電力系統,包括電池模組、配電箱、工業電力設備等。 -
優質導電金屬材料
採用 鍍錫銅 或 銅合金 材料,具有優異的導電性能,減少功率損耗,並延長端子的使用壽命。 -
安全穩定接線
螺絲鎖緊設計可以牢牢固定導線,適合高振動環境,減少接觸不良風險。
端子結構設計符合 RoHS 標準,無毒無害。 -
簡便安裝與維護
安裝快速且可重複維護,支持 PCB 焊接式安裝,適用於大規模量產。 -
環保與品質認證
符合 RoHS、ISO9001 標準,提供穩定可靠的產品質量。
🔧 適用場景(Applications)
基板端子廣泛應用於各類工業電氣設備與電源系統,具體應用場景包括:
-
配電系統:電力控制模組、開關設備、配電盤
-
電池儲能系統:電池模組、儲能設備(ESS)
-
工業自動化:PLC 控制系統、伺服驅動器
-
電源設備:LED 驅動電源、UPS 電源系統
-
通信設備:交換機、路由器、CCTV 安防系統
-
儀器儀表:測試設備、醫療儀器、數據機
-
太陽能光伏系統(PV):光伏組件接線、太陽能逆變器接線
⚙ 一般規格(General Specifications)
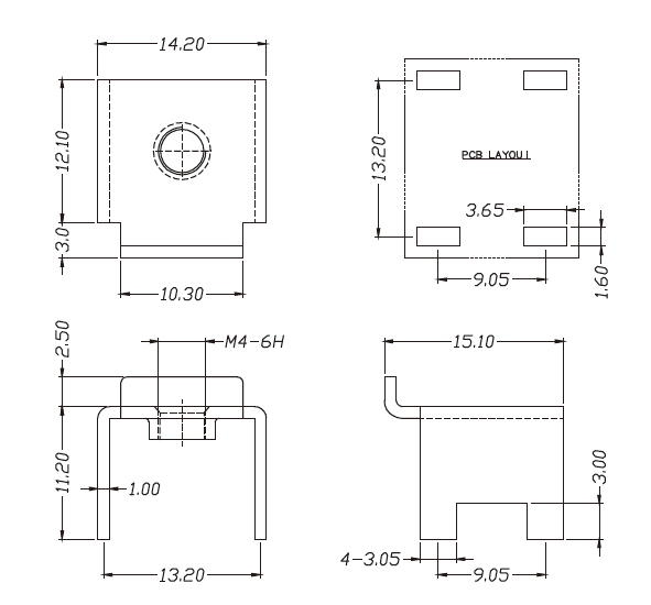
以下為基板端子的通用規格,具體型號規格可根據需求進行調整:
-
額定電流: 5A ~ 200A
-
接線範圍: 2~14 AWG
-
螺絲尺寸: M3 / M4(常見)
-
材料: 鍍錫銅 / 銅合金
-
安裝方式: PCB 焊接式 / 螺絲鎖固式
-
操作溫度範圍: -40°C ~ +125°C
-
端子結構: 單孔端子 / 雙孔端子 / 角度端子
為什麼選擇 DOYO 基板端子?
-
多款選擇:根據不同電流與安裝需求提供各種型號。
-
高導電性材料:保證端子的長期穩定工作。
-
簡便安裝:快速安裝,無需專業工具,支持多次維護。
-
國際品質認證:產品符合 ISO9001 和 RoHS 標準。
-
靈活的應用:適用於電源系統、工業控制、太陽能系統等多種領域。







商品評價
目前沒有評價。